- 雷達液位計料位計系列產品
- 壓力/液位/差壓/密度變送器
- 液位儀表系列
- 流量儀表系列
- 物位儀表系列
- 液位/溫度/壓力/流量-報警儀
- PLC/DCS自動化控制監控系統
- GPRS無線遠傳裝置
- 有紙/無紙記錄儀系列
- 溫度儀表系列
- 分析儀|檢測儀|校驗儀系列
                          
全國銷售熱線:400-9280-163
電話:86 0517-86917118
傳真:86 0517-86899586
銷售經理:1560-1403-222 (丁經理)
??? ? ? ? 139-1518-1149 (袁經理)
業務QQ:2942808253 / 762657048
網址:http://www.hnbz8.com
電話:86 0517-86917118
傳真:86 0517-86899586
銷售經理:1560-1403-222 (丁經理)
??? ? ? ? 139-1518-1149 (袁經理)
業務QQ:2942808253 / 762657048
網址:http://www.hnbz8.com
液位變送器信號輸出時溫漂、非線處理及信號放大的變換
發表時間:2019-06-24  ??點擊次數:727? 技術支持:1560-1403-222
      傳感器技術已日趨成熟,液位變送器已**應用于工業過程控制。雖然傳感器制造技術在飛速發展,但傳感器(敏感器件)輸出的信號還存在一些問題,如溫漂問題,各種傳感器都存在零點和靈敏度溫漂,必須減小漂移來滿足檢測和控制的精度要求;各種傳感器還都存在非線性問題,因此需要對傳感器輸出的信號要進行線性化;大部分傳感器的輸出信號都比較小,尤其是金屬膜傳感器輸出的信號更小,必須放大并使輸出信號標準化,設計變送器信號調理電路可以解決上述問題。
	 
 
在液位變送器的開發應用中,常常會遇到所需的變送器的輸出與已有的變送器的輸出不同,或用戶已有的變送器的輸出不能滿足新的需求,這就需要改變變送器原來的輸出。為了滿足多種客戶的需求,就需有多種輸出的變送器。例如:作為二型表,標準輸出多為0~10mA,或0~10V,而目前應用的三型表,卻是4~20mA 或1~5V 的,它們之間如何變換,是我們必須解決的問題。
 
1 液位變送器變送器信號調理電路的設計
1.1 溫度漂移的處理
傳感器的溫度漂移可分為零點溫度漂移和靈敏度溫度漂移。零點溫漂即傳感器不受壓時的輸出由溫度變化引起的漂移,在傳感器的應用中,經常用恒流供電,零點及其溫漂的補償方法可用電阻串并聯法,采用圖1所示的電路可有效的解決零點溫漂問題。
 
   
 
恒流供電橋路的傳感器,其靈敏度溫度補償通常采用的電路如圖2所示。其中R的網路中Rt為溫度系數與靈敏度溫漂同向的熱敏電阻,Rs、Rp、Rz為溫度系數可忽略的電阻,用來調整Rt的溫度系數。經上述零點和靈敏度的溫度補償的傳感器的輸出信號即可視為在一定的溫度范圍內與溫度變化無關。
 
1.2 放大及非線性的處理
任何力敏傳感器的非線性都有大小、正負之分,信號的處理和傳輸時要進行線性化處理,使zui后得到的信號與液位成線性關系。線性化電路就是根據非線性的大小和正負來設計的,線性化可以在信號處理的不同階段來進行,有的在模擬信號階段進行,有的在數字信號階段進行。
 
在圖3 的電路中,12腳與6腳連接后調整電阻R8,可以調節正非線性;12腳與1腳連接后調整電阻R8,可以調節負非線性。

 
對于一般應用要求的精度(±0.5%FS0),在適當的量程范圍內,使用簡單的正負反饋的修正就足夠了;小量程的傳感器應用到大量程中,非線性會增大,有時用簡單的正負反饋修正進行線性化比較困難,zui好使用數字線性化方法,也可以采用多點修正方法。
 
對于輸出信號很小,甚至只有幾mV的傳感器在制作4 ~20mA 液位變送器時,可以使用性能優良的儀表放大器,如INA118,對溫度補償、線性化、放大以及輸出全面考慮,設計出滿足需求的液位變送器電路。
 
也可以應用變送器電路塊, 如xTR106,這是美國BB 公司的產品。具體電路如圖3所示,用該電路組裝的變送器經過長期運行,各方面的性能都很好,其中用Wl 調零點,W2 調量程,R3 調靈敏度溫漂,R8 調線性。


 
2 液位變送器變送器輸出的變換
2.1 4~20mA 變換為0~5V利用OP295放大器的變換電路OP295 為雙運放電路,噪聲低,精度高,可輸入和輸出正負信號。單電源工作3~36V,低失調電壓300 μ V,高開環增益1000V/mV,每個放大器的電源電流zui大為150μA,輸出電流±18mA,工作溫度-40~125℃。是一種很好的放大器。
 
用OP295放大器構成的4~20mA變換為0~5V 的原理圖如圖4 所示。其中R1 為取樣電阻,W1 和W2 分別為調零位和滿位的電位器,二極管組用于共模調整,8V電壓可用LM317 得到。該電路組裝調試便捷,精度高。
 
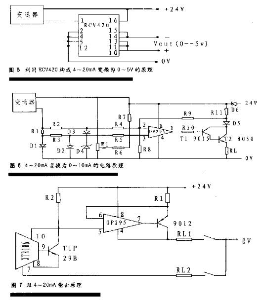
利用BB 公司的RCV420 的變換電路RCV420 是 BB 公司的產品。它能將4~20mA 變換為0~5V。它的電源電壓額定值為±15V,靜態電流為3mA,工作溫度范圍-55~125℃。雖然說明書中給出的電源是雙電源,但也可以應用于單電源0~24V的場合,這就十分方便,應用時不加任何外部元件(見圖5)。2.2 4~20mA 變換為0~10mA把4 ~20mA 變換為0 ~10mA 的電路如圖6所示。這個電路雖然比較復雜,但性能穩定可靠。
 
設R1上的壓降(取樣電壓)為Vi,經推導可以得到流經RL上的電流為I=(Vi-1)/R11 。很顯然,如果液位變送器變送器在零位時輸出4mA,在250 Ω的取樣電阻的壓降為1V,于是I=0。如果液位變送器變送器輸出為20mA,Vi=5V,則I=(5-1)/R11,適當選取R11,可得I=10mA。
 
2.3 雙4~20mA 輸出
有時為應用方便,一個液位變送器變送器需用兩個或多個4~20mA 輸出。圖7給出了在實際應用中很成功的解決方法。實際電路由OP295和9015PNP管構成,調解R1 使其輸出為4~20mA,就成了雙4~20mA輸出。這個電路輸出穩定可靠。
 
3 結語
本文介紹的液位傳感器的信號調理電路以及各種變送器的變換電路是作者實際工作的總結,用該方法設計的液位變送器,經多年的實際應用,證明用該設計方法制作的變送器性能優良運行可靠。
 
上一條:環境因素及被測介質對于超聲波液位計和雷達物位計測量的影響
下一條:磁翻板液位計和雙法蘭液位計在天然氣脫硫過濾器液位測量波動原因分析
     
在液位變送器的開發應用中,常常會遇到所需的變送器的輸出與已有的變送器的輸出不同,或用戶已有的變送器的輸出不能滿足新的需求,這就需要改變變送器原來的輸出。為了滿足多種客戶的需求,就需有多種輸出的變送器。例如:作為二型表,標準輸出多為0~10mA,或0~10V,而目前應用的三型表,卻是4~20mA 或1~5V 的,它們之間如何變換,是我們必須解決的問題。
1 液位變送器變送器信號調理電路的設計
1.1 溫度漂移的處理
傳感器的溫度漂移可分為零點溫度漂移和靈敏度溫度漂移。零點溫漂即傳感器不受壓時的輸出由溫度變化引起的漂移,在傳感器的應用中,經常用恒流供電,零點及其溫漂的補償方法可用電阻串并聯法,采用圖1所示的電路可有效的解決零點溫漂問題。
 
   
 恒流供電橋路的傳感器,其靈敏度溫度補償通常采用的電路如圖2所示。其中R的網路中Rt為溫度系數與靈敏度溫漂同向的熱敏電阻,Rs、Rp、Rz為溫度系數可忽略的電阻,用來調整Rt的溫度系數。經上述零點和靈敏度的溫度補償的傳感器的輸出信號即可視為在一定的溫度范圍內與溫度變化無關。
1.2 放大及非線性的處理
任何力敏傳感器的非線性都有大小、正負之分,信號的處理和傳輸時要進行線性化處理,使zui后得到的信號與液位成線性關系。線性化電路就是根據非線性的大小和正負來設計的,線性化可以在信號處理的不同階段來進行,有的在模擬信號階段進行,有的在數字信號階段進行。
在圖3 的電路中,12腳與6腳連接后調整電阻R8,可以調節正非線性;12腳與1腳連接后調整電阻R8,可以調節負非線性。

對于一般應用要求的精度(±0.5%FS0),在適當的量程范圍內,使用簡單的正負反饋的修正就足夠了;小量程的傳感器應用到大量程中,非線性會增大,有時用簡單的正負反饋修正進行線性化比較困難,zui好使用數字線性化方法,也可以采用多點修正方法。
對于輸出信號很小,甚至只有幾mV的傳感器在制作4 ~20mA 液位變送器時,可以使用性能優良的儀表放大器,如INA118,對溫度補償、線性化、放大以及輸出全面考慮,設計出滿足需求的液位變送器電路。
也可以應用變送器電路塊, 如xTR106,這是美國BB 公司的產品。具體電路如圖3所示,用該電路組裝的變送器經過長期運行,各方面的性能都很好,其中用Wl 調零點,W2 調量程,R3 調靈敏度溫漂,R8 調線性。


2 液位變送器變送器輸出的變換
2.1 4~20mA 變換為0~5V利用OP295放大器的變換電路OP295 為雙運放電路,噪聲低,精度高,可輸入和輸出正負信號。單電源工作3~36V,低失調電壓300 μ V,高開環增益1000V/mV,每個放大器的電源電流zui大為150μA,輸出電流±18mA,工作溫度-40~125℃。是一種很好的放大器。
用OP295放大器構成的4~20mA變換為0~5V 的原理圖如圖4 所示。其中R1 為取樣電阻,W1 和W2 分別為調零位和滿位的電位器,二極管組用于共模調整,8V電壓可用LM317 得到。該電路組裝調試便捷,精度高。
利用BB 公司的RCV420 的變換電路RCV420 是 BB 公司的產品。它能將4~20mA 變換為0~5V。它的電源電壓額定值為±15V,靜態電流為3mA,工作溫度范圍-55~125℃。雖然說明書中給出的電源是雙電源,但也可以應用于單電源0~24V的場合,這就十分方便,應用時不加任何外部元件(見圖5)。2.2 4~20mA 變換為0~10mA把4 ~20mA 變換為0 ~10mA 的電路如圖6所示。這個電路雖然比較復雜,但性能穩定可靠。
設R1上的壓降(取樣電壓)為Vi,經推導可以得到流經RL上的電流為I=(Vi-1)/R11 。很顯然,如果液位變送器變送器在零位時輸出4mA,在250 Ω的取樣電阻的壓降為1V,于是I=0。如果液位變送器變送器輸出為20mA,Vi=5V,則I=(5-1)/R11,適當選取R11,可得I=10mA。
2.3 雙4~20mA 輸出
有時為應用方便,一個液位變送器變送器需用兩個或多個4~20mA 輸出。圖7給出了在實際應用中很成功的解決方法。實際電路由OP295和9015PNP管構成,調解R1 使其輸出為4~20mA,就成了雙4~20mA輸出。這個電路輸出穩定可靠。
3 結語
本文介紹的液位傳感器的信號調理電路以及各種變送器的變換電路是作者實際工作的總結,用該方法設計的液位變送器,經多年的實際應用,證明用該設計方法制作的變送器性能優良運行可靠。
上一條:環境因素及被測介質對于超聲波液位計和雷達物位計測量的影響
下一條:磁翻板液位計和雙法蘭液位計在天然氣脫硫過濾器液位測量波動原因分析
- 相關文章
- 
                  - 80G 高頻雷達物位計液位計適用于泡沫和攪拌工況的原因分析 【2025-08-06】
- 80G高頻雷達液位計防腐防爆耐高溫的功能是如何實現的? 【2025-07-23】
- 高頻雷達液位計在石油行業液位測量應用中的優勢有哪些 【2025-07-17】
- 雷達液位計測量時如何有效規避攪拌葉片和泡沫的干擾? 【2025-07-07】
- 防爆液位變送器的作用是什么 【2023-12-15】
- 液位變送器的精確度 【2024-01-03】
- 壓力液位變送器安裝位冒 【2023-12-27】
- 防爆液位變送器維修 【2023-12-23】
- 液位變送器檢定用什么型號 【2024-01-03】
- 如何正確使用氣體渦輪流量計測量人工煤氣流量 【2015-07-12】
 
 









 
                             
                             
                            