- 雷達液位計料位計系列產品
- 壓力/液位/差壓/密度變送器
- 液位儀表系列
- 流量儀表系列
- 物位儀表系列
- 液位/溫度/壓力/流量-報警儀
- PLC/DCS自動化控制監控系統
- GPRS無線遠傳裝置
- 有紙/無紙記錄儀系列
- 溫度儀表系列
- 分析儀|檢測儀|校驗儀系列
電話:86 0517-86917118
傳真:86 0517-86899586
銷售經理:1560-1403-222 (丁經理)
??? ? ? ? 139-1518-1149 (袁經理)
業務QQ:2942808253 / 762657048
網址:http://www.hnbz8.com
PLC換熱站智能控制系統中壓力變送器的應用
PLC可編程、變頻器、壓力變送器和溫度變送器等元件組成的換熱站智能控制系統,主要介紹了換熱站系統構成、自動控制系統設計。此控制系統在多家電廠進行了調試,用戶比較滿意。系統自動化程度高,可實現遠程監控,安全可靠、便于檢修與維護。
		1 前言
		        隨著經濟的發展,全國范圍內的環保、節能的呼聲越來越高,利用**的科學技術,合理分配熱量,讓現有的熱能充分發揮作用,為更多的用戶提供更好的供熱服務是供熱企業的首要任務。將微機監控和自動化控制引入供熱系統中,對供熱系統的調節實現由手動到自動的轉變,這才能滿足新形勢下的供熱需求。
		2 換熱站的概述
		        換熱站主要是通過換熱器設備將熱電場產生一次高溫水和用戶二次網低溫回水進行封閉,將熱量進行交換,然后通過循環泵設備來克服二次網形成的阻力,非常后將熱水傳送到室內的散熱裝置中。
		3 換熱站系統的控制
		3.1 控制目的及主要受控設備
		        換熱站系統控制目的:通過對循環泵、補水泵、熱交換器、溫控閥、系統管路調節閥進行控制,調整系統各應用工況的運行模式,在非常經濟的情況下給末端提供一穩定的供水溫度。同時,提高系統的自動化水平,提高系統的管理效率和降低管理勞動強度。
		        如圖1 所示控制柜對管道中的壓力溫度進行采集然后對控制循環泵、補水泵、溫控閥、水箱液位等進行控制。
		3.2 PLC智能控制系統的設計
		    (1)根據設備運行流程及控制的電氣元件,安排PLC 的接口,寫出I/O 地址分配表。
		    (2) 觸摸屏與PLCCOM1 口進行通訊, 打印板通過PLCCOM2 口進行通訊。
		    (3)程序設計。
		        ①控制流程:PLC 上電運行后,首先對程序進行初始化,通過觸摸屏設定二次側供回水壓力、溫度、一次側回水壓力溫度、換熱器出水溫度和超溫溫度等控制參數。打到自動位置后,啟動控制。程序進行周期掃描和PID 控制,分別進行壓力、溫度等數值的采樣,經過程序內部運算,與設定值比較,根據結果進行PID 調節,計算出的數值給出開關量和模擬量信號,控制水泵啟停和變頻器頻率調節。
		        ②可編程程序設計:自動控制系統由PLC、變頻器、壓力變送器、溫度變送器、液位變送器等主要電氣元件構成。補水泵通過回水壓力控制啟停;循環泵變頻運行,頻率通過供回水壓差來調節;冷凝泵通過冷凝水箱水位運行。補水泵控制原理:通過回水壓力變送器將電流信號傳送到PLC,通過PLC 運算,反饋值與設定值作比較,當壓力到設定下限值時,PLC 給出信號自動啟動補水泵;當壓力到設定上限值時,PLC 給出信號自動停止補水泵;同時補水水箱水位低于保護值時,補水泵強制停泵。
		        循環泵控制原理:通過回水壓力變送器與供水壓力變送器分別將電流信號傳送到PLC,通過PLC 運算,反饋的供回水壓差值與設定的壓差值作比較,當低于設定值時,PLC 輸出電壓信號給變頻器,循環泵頻率線性遞增,轉速加快;當高于設定值時,PLC 內同樣輸出電壓信號給變頻器,循環泵頻率線性遞減,轉速降低;當接近設定值時,循環泵恒速運行。
		        冷凝泵控制原理:冷凝水箱中的磁翻板液位計將電流信號傳送到PLC,通過PLC 運算,反饋值與設定值作比較,當水箱水位到設定上限值時,PLC 給出信號自動啟動冷凝泵指令;當水位到設定下限值時,PLC 給出信號自動停止冷凝泵指令。
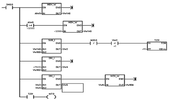
		        例:下圖的程序為溫度與壓力的采集程序,首先將AIW0(通道一)中采集的模擬數據傳送至VW140 中,通過運算得到溫度或壓力值;圖中的程序同時還可以檢測變送器的是否損壞,如果損壞將會發出一個變送器損壞請檢修的指令,此檢測功能還可以手動選擇取消。
		        ③觸摸屏程序設計:該設備使用了西門子6AV6648-0AE11-3AX0 系列觸摸屏,能實時監視系統和設備的運行狀態、運行參數,及時報告設備的故障和解決方法,對現場設備進行操作。
		4 結語
		        換熱站控制系統采用了PLC 控制技術、變頻調試技術和電子信號技術,實現了對換熱站的壓力和溫度的自動控制,不僅節省設備成本還提高了設備的自動化程度,使設備可靠、穩定地運行。并且能通過以太網通訊,使中控室接收各種信號,還可以通過觸摸屏設定參數,一鍵啟停,實現遠程監控功能。
上一條:國內氣體檢測儀/氣體報警器行業技術發展現狀和趨勢分析
下一條:1158LH外夾式超聲波冷熱量表在中央空調能量監控系統怎樣組網?
- 相關文章
- 
                  - 80G 高頻雷達物位計液位計適用于泡沫和攪拌工況的原因分析 【2025-08-06】
- 80G高頻雷達液位計防腐防爆耐高溫的功能是如何實現的? 【2025-07-23】
- 高頻雷達液位計在石油行業液位測量應用中的優勢有哪些 【2025-07-17】
- 雷達液位計測量時如何有效規避攪拌葉片和泡沫的干擾? 【2025-07-07】
- 淺析浮筒液位計測量產生誤差的原因及相應的處理方法 【2017-05-23】
- 液位變送器干啥用的 【2023-12-23】
- 射頻導納液位變送器 【2023-12-27】
- 單法蘭液位變送器試題 【2024-01-06】
- 壓力變送器調試定額 【2023-12-15】
- 安裝頂裝式磁翻板液位計和側裝式磁板液位計有哪些不同的注意點 【2019-08-03】
 
 









 
                             
                             
                            